登錄
首頁
關于長安
公司簡介
組織機構
公司證書
旗下公司
經營領域
新聞中心
集團要聞
通知公告
行業動態
媒體報道
工程展示
大型住宅
學校醫院
商業辦公
會展場館
市政工程
公路工程
水利工程
工業業績
設計業績
集團榮譽
工程榮譽
企業榮譽
科技成果
個人榮譽
企業文化
愿景使命
黨群工作
領導關懷
員工風采
社會責任
長安通訊
人力資源
人才理念
關愛員工
人才培訓
招賢納士
信息化平臺
項目管理
OA平臺
人資系統
內四庫
知識庫
聯系我們
聯系地址
服務監督
集團要聞
通知公告
行業動態
媒體報道
新聞詳情
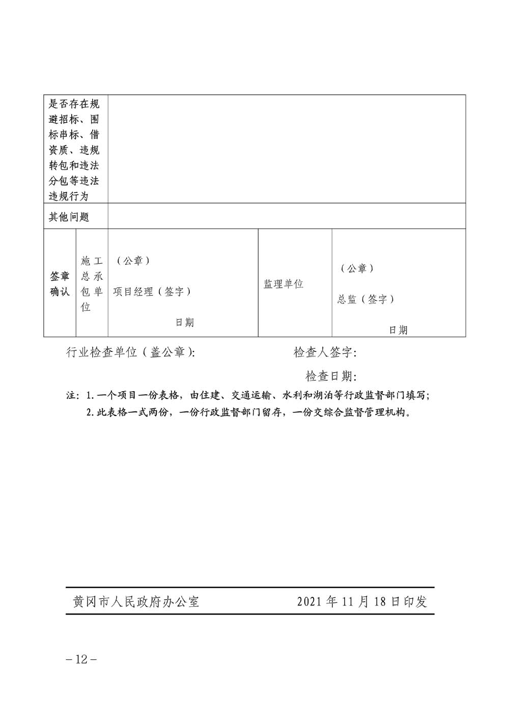
關于打擊圍標串標和轉包、違法分包專項行動的實施方案
時間:2021-11-25
友情鏈接:
中華人民共和國住房和城鄉建設部
國家工程建設標準化信息網
中國建筑業協會
中國施工企業管理協會
全國建筑市場監管公共服務平臺
中國建造師網
中國人事考試網
中華建設網
湖北省住房和城鄉建設廳
湖北省建筑工程管理局
湖北省人事考試網
湖北省建筑市場監督與誠信一體化工作平臺
湖北省建設工程質量安全協會
湖北省工商業聯合會
湖北省市場監督管理局
湖北政務服務網
武漢市城鄉建設局
武漢市建筑工程質量監督站
武漢建筑業協會
黃岡市住房和城鄉建設局
湖北省黃岡市英山縣溫泉鎮沿河西路7號
0713-7067986
1401107886@qq.com
鄂ICP備19010839號
鄂公安備42112402000061號
關于長安
公司簡介
組織機構
公司證書
旗下公司
經營領域
新聞中心
集團要聞
通知公告
行業動態
媒體報道
工程展示
大型住宅
學校醫院
商業辦公
會展場館
市政路橋
工業建筑
設計業績
集團榮譽
工程榮譽
企業榮譽
個人榮譽
企業文化
愿景使命
黨群工作
領導關懷
員工風采
社會責任
長安通訊
人力資源
人才理念
關愛員工
人才培訓
招賢納士
信息化平臺
項目管理
OA平臺
人資系統
內四庫
知識庫
聯系我們
聯系地址
服務監督